您好,歡迎光臨帝國科技!
產品分類
PRODUCT
PRODUCT
- 國產晶振
- 聲表面濾波器
- 石英晶體
- 石英晶振
- 貼片晶振
- 陶瓷晶振
- 陶瓷濾波器
- 陶瓷霧化片
- 進口晶振
- MERCURY晶振
- Fujicom晶振
- 日本大真空晶振
- 愛普生晶振
- 西鐵城晶振
- 精工晶振
- 村田陶瓷晶振
- 日本京瓷晶振
- 日本進口NDK晶體
- 大河晶振
- TXC晶振
- 亞陶晶振
- 臺灣泰藝晶體
- 臺灣鴻星晶體
- 美國CTS晶體
- 微孔霧化片
- 加高晶振
- 希華石英晶振
- AKER晶振
- NAKA晶振
- SMI晶振
- NJR晶振
- NKG晶振
- Sunny晶振
- 歐美晶振
- Abracon晶振
- ECS晶振
- Golledge晶振
- IDT晶振
- Jauch晶振
- Pletronics晶振
- Raltron晶振
- SiTime晶振
- Statek晶振
- Greenray晶振
- 康納溫菲爾德晶振
- Ecliptek晶振
- Rakon晶振
- Vectron晶振
- 微晶晶振
- AEK晶振
- AEL晶振
- Cardinal晶振
- Crystek晶振
- Euroquartz晶振
- FOX晶振
- Frequency晶振
- GEYER晶振
- KVG晶振
- ILSI晶振
- MMDCOMP晶振
- MtronPTI晶振
- QANTEK晶振
- QuartzCom晶振
- Quarztechnik晶振
- Suntsu晶振
- Transko晶振
- Wi2Wi晶振
- ACT晶振
- MTI晶振
- Lihom晶振
- Rubyquartz晶振
- Oscilent晶振
- SHINSUNG晶振
- ITTI晶振
- PDI晶振
- ARGO晶振
- IQD晶振
- Microchip晶振
- Silicon晶振
- Fortiming晶振
- CORE晶振
- NIPPON晶振
- NICKC晶振
- QVS晶振
- Bomar晶振
- Bliley晶振
- GED晶振
- FILTRONETICS晶振
- STD晶振
- Q-Tech晶振
- Anderson晶振
- Wenzel晶振
- NEL晶振
- EM晶振
- PETERMANN晶振
- FCD-Tech晶振
- HEC晶振
- FMI晶振
- Macrobizes晶振
- AXTAL晶振
- DEI晶振
帝國博客
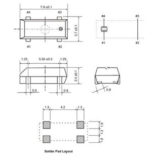
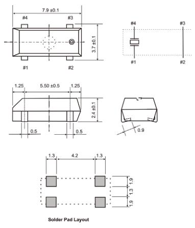
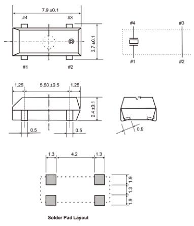
更多>>- 規格型號:79695704
- 頻率:32.768KHZ
- 尺寸:8.0*3.8mm
- 產品描述:AEL晶振,ZM-206晶振,32.768KHZ晶振,AEL晶振在英國,日本,臺灣,南韓等地區使用精心挑選的生產基地網絡。韓國中國和美國使我們能夠為這類組件提供真正的全球采購。這降低了這種高需求產品類型供應中斷的風險。我們通過...
AEL晶振,ZM-206晶振,32.768KHZ晶振
.jpg)
AEL晶振,ZM-206晶振,32.768KHZ晶振,AEL晶振在英國,日本,臺灣,南韓等地區使用精心挑選的生產基地網絡。韓國中國和美國使我們能夠為這類組件提供真正的全球采購。這降低了這種高需求產品類型供應中斷的風險。我們通過實施全面的英國庫存政策進一步提高可用性。AEL晶體有限公司是ISO 9002-2008認可的供應商,目前管理著廣泛的國際認可的藍籌客戶。
自1991年以來,AEL晶體有限公司已發展成為歐洲領先的頻率控制組件供應商之一。我們的成功基于扎實的工程知識基礎,同時也為我們的客戶提供高效的總體供應鏈管理服務。無論您身在何處,無論您是在英國設有研發機構還是在遠東地區生產,您都可以確信AEL將始終以具有全球競爭力的價格為您提供始終如一的質量和可靠的服務。
| AEL晶振規格 | 單位 | ZM-206晶振頻率范圍 | 石英晶振基本條件 |
| 標準頻率 | f_nom | 32.768KHZ | 標準頻率 |
| 儲存溫度 | T_stg | -55°C ~ +150°C | 裸存 |
| 工作溫度 | T_use | -40°C ~ +85°C | 標準溫度 |
| 激勵功率 | DL | 1.0μW Max. | 推薦:1μW ~ 100μW |
| 頻率公差 | f_— l |
±20 × 10-6 |
+25°C 對于超出標準的規格說明, 請聯系我們以便獲取相關的信息,http://www.lcsx.com.cn/ |
| 頻率溫度特征 | f_tem | ±20 × 10-6 | 超出標準的規格請聯系我們. |
| 負載電容 | CL | 12.5pF ~ ∞ | 不同負載要求,請聯系我們. |
| 串聯電阻(ESR) | R1 | 如下表所示 | -40°C — +85°C, DL = 100μW |
| 頻率老化 | f_age | ±3 × 10-6 / year Max. | +25°C,第一年 |
.jpg)
.jpg)
自動安裝時的沖擊:石英晶振自動安裝和真空化引發的沖擊會破壞SMD晶振產品特性并影響這些產品。請設置安裝條件以盡可能將沖擊降至最低,并確保在安裝前未對晶振特性產生影響。條件改變時,請重新檢查安裝條件。同時,在安裝前后,請確保石英晶振產品未撞擊機器或其他電路板等。
每個封裝類型的注意事項
陶瓷包裝晶振與SON產品
在焊接陶瓷晶振和SON產品 (陶瓷包裝是指晶振外觀采用陶瓷制品) 之后,彎曲電路板會因機械應力而導致焊接部分剝落或封裝分裂(開裂)。尤其在焊接這些產品之后進行電路板切割時,務必確保在應力較小的位置布局晶體并采用應力更小的切割方法。
陶瓷包裝石英晶振
在一個不同擴張系數電路板(環氧玻璃)上焊接陶瓷封裝石英晶振時,在溫度長時間重復變化時可能導致端子焊接部分發生斷裂,請事先檢查焊接特性。AEL晶振,ZM-206晶振,32.768KHZ晶振.

深圳市帝國科技有限公司
SHENZHEN DIGUO TECHONLOGY CO.,LTD
手 機:86-13826527865
電 話:86-0755-27881119 QQ:921977998
E-mail:dgkjly@163.com
網 址:www.lcsx.com.cn
地 址:中國廣東省深圳市寶安區西鄉大道新湖路








業務經理