您好,歡迎光臨帝國科技!
產品分類
PRODUCT
PRODUCT
- 國產晶振
- 聲表面濾波器
- 石英晶體
- 石英晶振
- 貼片晶振
- 陶瓷晶振
- 陶瓷濾波器
- 陶瓷霧化片
- 進口晶振
- MERCURY晶振
- Fujicom晶振
- 日本大真空晶振
- 愛普生晶振
- 西鐵城晶振
- 精工晶振
- 村田陶瓷晶振
- 日本京瓷晶振
- 日本進口NDK晶體
- 大河晶振
- TXC晶振
- 亞陶晶振
- 臺灣泰藝晶體
- 臺灣鴻星晶體
- 美國CTS晶體
- 微孔霧化片
- 加高晶振
- 希華石英晶振
- AKER晶振
- NAKA晶振
- SMI晶振
- NJR晶振
- NKG晶振
- Sunny晶振
- 歐美晶振
- Abracon晶振
- ECS晶振
- Golledge晶振
- IDT晶振
- Jauch晶振
- Pletronics晶振
- Raltron晶振
- SiTime晶振
- Statek晶振
- Greenray晶振
- 康納溫菲爾德晶振
- Ecliptek晶振
- Rakon晶振
- Vectron晶振
- 微晶晶振
- AEK晶振
- AEL晶振
- Cardinal晶振
- Crystek晶振
- Euroquartz晶振
- FOX晶振
- Frequency晶振
- GEYER晶振
- KVG晶振
- ILSI晶振
- MMDCOMP晶振
- MtronPTI晶振
- QANTEK晶振
- QuartzCom晶振
- Quarztechnik晶振
- Suntsu晶振
- Transko晶振
- Wi2Wi晶振
- ACT晶振
- MTI晶振
- Lihom晶振
- Rubyquartz晶振
- Oscilent晶振
- SHINSUNG晶振
- ITTI晶振
- PDI晶振
- ARGO晶振
- IQD晶振
- Microchip晶振
- Silicon晶振
- Fortiming晶振
- CORE晶振
- NIPPON晶振
- NICKC晶振
- QVS晶振
- Bomar晶振
- Bliley晶振
- GED晶振
- FILTRONETICS晶振
- STD晶振
- Q-Tech晶振
- Anderson晶振
- Wenzel晶振
- NEL晶振
- EM晶振
- PETERMANN晶振
- FCD-Tech晶振
- HEC晶振
- FMI晶振
- Macrobizes晶振
- AXTAL晶振
- DEI晶振
帝國博客
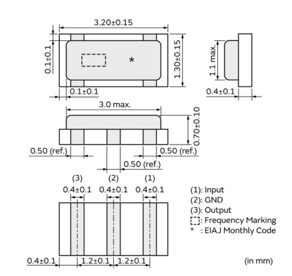
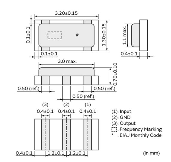
更多>>- 規格型號:63648523
- 頻率:8MHZ
- 尺寸:3.2*1.3*0.8mm
- 產品描述:村田晶振,CSTNE_G晶振,CSTNE8M00G55Z000R0晶振,村田自1973年在中國香港成立第一家銷售公司起,至今村田中國已擁有19個銷售據點、4個工廠以及4個研發設計基地,近距離為客戶提供及時有效的服務和技術支持.村田中國以滿足...
村田晶振,CSTNE_G晶振,CSTNE8M00G55Z000R0晶振
.jpg)

村田晶振,CSTNE_G晶振,CSTNE8M00G55Z000R0晶振,村田自1973年在中國香港成立第一家銷售公司起,至今村田中國已擁有19個銷售據點、4個工廠以及4個研發設計基地,近距離為客戶提供及時有效的服務和技術支持.村田中國以滿足客戶的要求作為企業經營的最優先課題,全體員工同心協力完成工作.
村田公司是一家使用性能優異電子原料,設計、制造最先進的小體積貼片晶振,陶瓷晶振,陶瓷晶體諧振器,陶瓷濾波器電子元器件及多功能高密度模塊的企業.不僅是手機、家電,汽車相關的應用、能源管理系統、醫療保健器材等,都有村田公司的身影.
村田制作所基于高尚的企業道德,遵循其經營理念,以繼續成為受社會信賴的公司為目標,承諾遵守法律和法規,實施高度透明的管理、尊重人權、維護健康與安全、為社會發展和環境保護做出貢獻.村田晶振,CSTNE_G晶振,CSTNE8M00G55Z000R0晶振.
2009年度,根據環境管理體系中的規定,村田在其日本國內的所有事業所和海外的所有生產基地中,建立了綠色經營活動的框架,通過共享與綠色經營有關的信息,致力于開展有效的和實際效果大的環保活動,并強化企業的管治能力.
| 產品型 | 陶瓷諧振器 |
|---|---|
| 系列名 | CSTNE_G |
| 頻率 | 8.000MHz |
| 頻率公差 | ±0.50% max. |
| 工作溫度范圍 | -40℃~125℃ |
| 頻率溫度特性 | ±0.20% max. |
| 頻率老化 | ±0.10% max. |
| 諧振電阻 (R1) | 40Ω max. |
| 內置負載電容(CL1/CL2) | 33pF |
| 形狀 | SMD |
| 清洗 | 不支持 |
| 長x寬 | 3.2x1.3mm |
| 質量 | 10.48mg |
.jpg)
.jpg)

使用產品時,請在規格說明陶瓷貼片晶振產品目錄規定使用條件下使用。因很多種產品性能,以及材料有所不同,所以使用注意事項也有所不同,比如焊接模式,運輸模式,保存模式等等,都會有所差別。
所有產品的共同點,
1:抗沖擊:抗沖擊是指村田陶瓷諧振器產品可能會在某些條件下受到損壞。例如從桌上跌落,摔打,高空拋壓或在貼裝過程中受到沖擊。如果產品已受過沖擊請勿使用。因為無論何種,其內部晶片都是制作而成的,高空跌落摔打都會給晶振照成不良影響。
2:輻射:將貼片晶振暴露于輻射環境會導致產品性能受到損害,因此應避免陽光長時間的照射。
3:化學制劑/pH值環境:請勿在PH值范圍可能導致腐蝕或溶解石英晶振或包裝材料的環境下使用或儲藏這些產品。
4:粘合劑:請勿使用可能導致貼片型陶瓷諧振器所用的封裝材料,終端,組件,玻璃材料以及氣相沉積材料等受到腐蝕的膠粘劑。(比如,氯基膠粘劑可能腐蝕一個晶振的金屬“蓋”,從而破壞密封質量,降低性能。)
.jpg)

村田晶振,CSTNE_G晶振,CSTNE8M00G55Z000R0晶振,村田晶振從設計階段開始減少環保負荷的體制建設,村田晶振由環保主管董事擔任整個集團的環保活動的總負責人,由環保部跨事業所支持和促進環保活動.此外,社長的咨詢機構—環保委員會,還針對各村田晶振,陶瓷諧振器,村田陶瓷晶振,村田陶瓷振蕩子,村田石英晶振據點的活動情況和全公司的環保課題進行議論和探討.此外,為大力推進二氧化碳減排活動,設立了“防止全球變暖委員會”,加快設計、開發和生產過程中CO2減排活動的步伐.
截止到2006年度,村田晶振在國內外的所有生產據點以及國內的非生產據點——村田制作所總公司、東京分公司、營業所,均取得了ISO14001認證.此后,村田陶瓷晶振努力開展體系整合,并于2007年3月在國內集團的34個據點完成了向ISO14001多站認證的轉變.村田晶振力求通過此舉,落實從設計、開發到村田晶振,陶瓷諧振器,村田石英晶振,村田陶瓷諧振器的生產、銷售的一條龍環保管理,同時還將在一部分據點取得顯著成效的改善事例推廣應用到其他據點等,以提高整個村田晶振集團的環保績效.
深圳市帝國科技有限公司
SHENZHEN DIGUO TECHONLOGY CO.,LTD
手 機:86-13826527865
電 話:86-0755-27881119 QQ:921977998
E-mail:dgkjly@163.com
網 址:www.lcsx.com.cn
地 址:中國廣東省深圳市寶安區西鄉大道新湖路






業務經理