您好,歡迎光臨帝國科技!
產品分類
PRODUCT
PRODUCT
- 國產晶振
- 聲表面濾波器
- 石英晶體
- 石英晶振
- 貼片晶振
- 陶瓷晶振
- 陶瓷濾波器
- 陶瓷霧化片
- 進口晶振
- MERCURY晶振
- Fujicom晶振
- 日本大真空晶振
- 愛普生晶振
- 西鐵城晶振
- 精工晶振
- 村田陶瓷晶振
- 日本京瓷晶振
- 日本進口NDK晶體
- 大河晶振
- TXC晶振
- 亞陶晶振
- 臺灣泰藝晶體
- 臺灣鴻星晶體
- 美國CTS晶體
- 微孔霧化片
- 加高晶振
- 希華石英晶振
- AKER晶振
- NAKA晶振
- SMI晶振
- NJR晶振
- NKG晶振
- Sunny晶振
- 歐美晶振
- Abracon晶振
- ECS晶振
- Golledge晶振
- IDT晶振
- Jauch晶振
- Pletronics晶振
- Raltron晶振
- SiTime晶振
- Statek晶振
- Greenray晶振
- 康納溫菲爾德晶振
- Ecliptek晶振
- Rakon晶振
- Vectron晶振
- 微晶晶振
- AEK晶振
- AEL晶振
- Cardinal晶振
- Crystek晶振
- Euroquartz晶振
- FOX晶振
- Frequency晶振
- GEYER晶振
- KVG晶振
- ILSI晶振
- MMDCOMP晶振
- MtronPTI晶振
- QANTEK晶振
- QuartzCom晶振
- Quarztechnik晶振
- Suntsu晶振
- Transko晶振
- Wi2Wi晶振
- ACT晶振
- MTI晶振
- Lihom晶振
- Rubyquartz晶振
- Oscilent晶振
- SHINSUNG晶振
- ITTI晶振
- PDI晶振
- ARGO晶振
- IQD晶振
- Microchip晶振
- Silicon晶振
- Fortiming晶振
- CORE晶振
- NIPPON晶振
- NICKC晶振
- QVS晶振
- Bomar晶振
- Bliley晶振
- GED晶振
- FILTRONETICS晶振
- STD晶振
- Q-Tech晶振
- Anderson晶振
- Wenzel晶振
- NEL晶振
- EM晶振
- PETERMANN晶振
- FCD-Tech晶振
- HEC晶振
- FMI晶振
- Macrobizes晶振
- AXTAL晶振
- DEI晶振
帝國博客
更多>>- 規格型號:39363829
- 頻率:6.75~90MHZ
- 頻率:6.75~90MHZ
- 產品描述:有源晶振,是只晶體本身起振需要外部電壓供應,起振后可直接驅動CMOS 集成電路,產品本身已實現與薄型IC(TSSOP封裝,TVSOP封裝)同樣的1mm厚度,斷開時的消費電流是15 μA以下,編帶包裝方式可對應自動搭載及IR回流焊接(無...
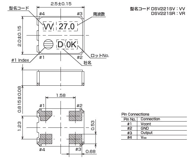
DSV221SR晶振,KDS株式會社,VCXO振蕩器
.jpg)
DSV221SR晶振,KDS株式會社,VCXO振蕩器,貼片式石英晶體振蕩器,低電壓啟動功率,并且有多種電壓供選擇,比如有2.8V,3.3V等,產品被廣泛應用于,平板筆記本,GPS系統,光纖通道,千兆以太網,串行ATA,串行連接SCSI,PCI-Express的SDH / SONET發射基站等領域.符合RoHS/無鉛.

| 規格參數 | DSV221SR |
| 頻率范圍 | 6.75~90.0MHZ |
| 電源電壓 | +2.8V~+3.3V |
| 負載電容 | 15pF |
| 存儲溫度 | -40~+85℃ |
| 工作溫度 | -10~+70℃/-30~+85℃ |
| 溫度特征 |
±0.5×10-6 max /-30~+85℃ ±0.5×10-6 max /-40~+85℃ (Option) |
| 消費電流 | 2.9mA max [No Load] |
| 對稱性 | 45~55% [50% Vcc Level] |
| 輸出電壓 | Vcc×0.1 max / Vcc×0.9 min |
| 老化率 | ±1.0×10-6 max /year |
| 相位抖動 | 1.5ps max (fo offset : 12KHz~5MHz) |
| 起動時間 | 2.0ms max |




KDS晶體科技股份有限公司,依據‘ISO 14001環境/OHSAS-18001安衛管理系統’要求制定本‘環境/安衛手冊’,以界定本公司環境/安衛管理系統之范圍,包括任何排除之細節及調整,并指引環境/安衛管理系統與各書面、辦法書之對應關系,包含在環境/安衛管理系統內之流程順序及交互作用的描述.本公司環境/安衛管理系統之適用范圍包含公司所有的活動、產品及服務. KDS晶體科技股份有限公司藉由環境/安衛管理系統的推動執行,以整合內部資源,奠定經營管理的基礎.藉執行環境考量面/安衛危害鑒別作業,環境/安衛管理方案和內部稽核為手段,合理化推動環境/安衛管理,落實環境/安衛系統有效實施.并不斷透過教育訓練灌輸員工環境/安衛觀念及意識,藉由改善公司制程以達到污染預防、工業減廢、安全與衛生、符合法規要求使企業永續發展減少環境/安衛負擔,并滿足客戶需求,獲得客戶的信賴而努力. 
深圳市帝國科技有限公司SHENZHEN DIGUO TECHONLOGY CO.,LTD
聯系人:譚蘭艾 手 機:86-13826527865
電 話:86-0755-27881119 QQ:921977998
E-mail:dgkjly@163.com
網 址:www.lcsx.com.cn
地 址:中國廣東省深圳市寶安區西鄉大道新湖路





.jpg)
.jpg)


業務經理